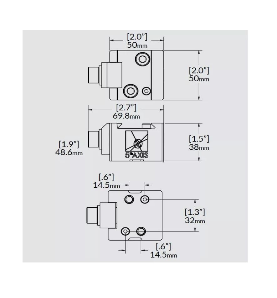
燕尾夾具DM50

  • 產品型號| DM50