• 依品牌分類
    • MST
      • MST燒結式刀桿
      • MST抗震刀桿
      • MST筒夾式刀桿
      • MST側固式刀桿
      • MST搪孔刀桿
      • MST強力型角度頭
      • MST袖珍型角度頭
      • MST保養維護工具
      • MST快速定位治具系統
    • 5ᵗʰAXIS
      • 5ᵗʰAXIS 52mm夾具系統
      • 5ᵗʰAXIS 52mm快換基座
      • 5ᵗʰAXIS 96mm夾具系統
      • 5ᵗʰAXIS 96mm快換基座
      • 5ᵗʰAXIS塔式快換基座
      • 5ᵗʰAXIS同動求心虎鉗
      • 5ᵗʰAXIS雙工位虎鉗
      • 5ᵗʰAXIS金字塔基座
      • 5ᵗʰAXIS燕尾夾具
      • 5ᵗʰAXIS定位校正規
      • 5ᵗʰAXIS配件
    • KATO
    • 北川
    • NABEYA
    • 三共
    • LOMA
    • KJ TOOL
  • 依產品分類
    • 刀桿
      • 燒結式刀桿
      • 抗震刀桿
      • 袖珍型角度頭
      • 強力型角度頭
      • 筒夾式刀桿
      • 側固式刀桿
      • 搪孔刀桿
      • 絲攻刀桿
    • 快速定位治具系統
    • 保養維護工具
    • 虎鉗系列
    • 分度盤
    • 真空吸盤
    • 電磁盤
    • 油霧回收機
    • 切削工具
      • CBN立銑刀
      • 鎢鋼立銑刀
      • DLC立銑刀
      • 鎢鋼鑽頭
    • 周邊配件
  • 關於坤嶸
  • 最新消息
  • 聯絡我們
  • 0
    詢價車
  • 搜尋產品
  • 繁體中文 EN 简体中文
  • 詢價車 0
  • 首頁
  • 產品明細

依品牌分類

  • MST
  • 5ᵗʰAXIS
    • 5ᵗʰAXIS 52mm夾具系統
    • 5ᵗʰAXIS 52mm快換基座
    • 5ᵗʰAXIS 96mm夾具系統
    • 5ᵗʰAXIS 96mm快換基座
    • 5ᵗʰAXIS塔式快換基座
    • 5ᵗʰAXIS同動求心虎鉗
    • 5ᵗʰAXIS雙工位虎鉗
    • 5ᵗʰAXIS金字塔基座
    • 5ᵗʰAXIS燕尾夾具
    • 5ᵗʰAXIS定位校正規
    • 5ᵗʰAXIS配件
  • KATO
  • 北川
  • NABEYA
  • 三共
  • LOMA
  • KJ TOOL

依產品分類

5th AXIS雙工位虎鉗-鋼製鉗口

  • 產品型號| DV75150X-J3

產品介紹

雙工位虎鉗
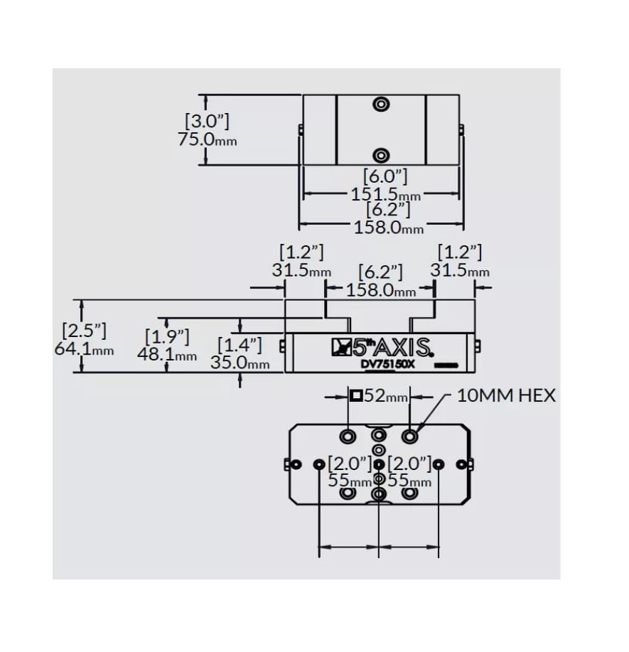
75mm x 150mm x 56mm

  • - +
    加入詢價 銷售一空

產品敘述

尺寸:75mm x 150mm x 56.1mm 

鉗口組材質:1018 鋼製可加工鉗口組

鉗口寬度: 75mm

夾持力: 13.5 kN @ 60 Nm 

最大扭矩: 60 Nm

雙工位虎鉗配備 1018 鋼製可加工鉗口。是二次加工作業的最佳選擇。

相關產品

5th AXIS雙工位虎鉗-硬式鉗口
5th AXIS雙工位虎鉗-硬式鉗口
5th AXIS雙工位虎鉗-硬式鉗口
5th AXIS雙工位虎鉗-鋁製鉗口
5th AXIS雙工位虎鉗-鋼製鉗口
5th AXIS雙工位虎鉗-硬式鉗口
5th AXIS雙工位虎鉗-鋁製鉗口
5th AXIS雙工位虎鉗-鋼製鉗口
5th AXIS雙工位虎鉗-鋁製鉗口

營業據點

坤嶸企業有限公司

總公司: 新北市新莊區中原路552號11樓(中悅IFC) TEL: (02)2290-2500
台中: 台中市台灣大道三段556巷6號2樓 TEL: (04)2702-6477
台南: 709台南市安南區長和路一段386號 TEL: (06)700-3677

坤僑貿易有限公司

江蘇省昆山市玉山鎮集街東村15棟304室 TEL: (0512)5750-7151
深圳市龍華區景龍建設路金蘋果花園3單元1103 TEL: (0755)8178-6391​
MAIL: service@kun-jung.com
Copyrights © 2022 坤嶸企業有限公司 All Rights Reserved
此網站使用cookies蒐集必要的使用者瀏覽行為,以讓我們能為您提供更好的瀏覽體驗。 瀏覽本網站,即表示您同意 線上隱私權聲明
× 關閉