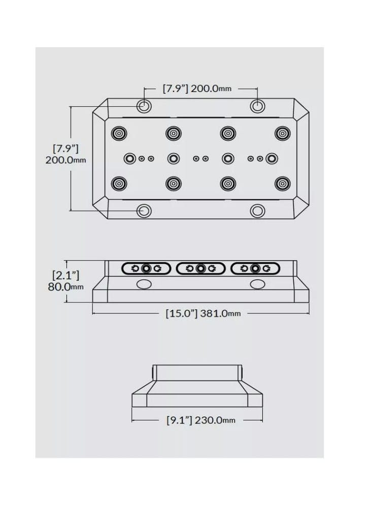
多工位加厚快換基座RL96A-3915

  • 產品型號| RL96A-3915