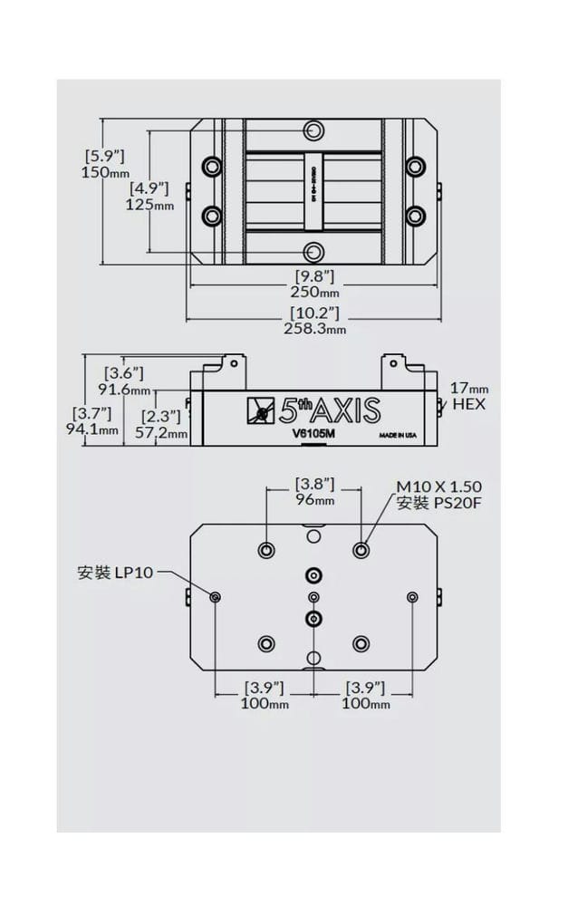
5th AXIS同動求心虎鉗

  • 產品型號| V6105M